k8凯发(中国)天生赢家·一触即发



收藏本站 设为首页
打造中国专业的消防主机维修消防设备产品网站    热线电话:4000-346-119
您现在所的位置: 首页>>主机维修>>自动水系统>正文

自动喷水灭火系统中常见的问题是什么?

归属类别:松江云安 发布时间:2014-07-16 02:07:38
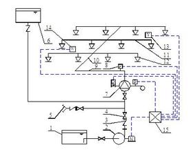
1、系统组成  
    闭式喷头、水流指示器、湿式报警阀、压力开关、稳压泵、喷淋泵、喷淋控制柜。  
2、系统完成的主要功能  
    系统处于正常工作状态时,管道内有一定压力的水,当有火灾发生时,火场温度达到闭式喷头的温度时,玻璃泡破碎,喷头喷水,管道中的水由静态变为动态,水流指示器动作,信号传输到消防中心的消防控制柜上报警,当湿式报警装置报警,压力开关动作后,通过控制柜启动喷淋泵为管道供水,完成系统的灭火功能。  

3、系统容易出现的问题、产生的原因、简单的处理方法  
    (1)稳压装置频繁启动。原因:主要为湿式装置前端有泄漏,还会有水暖件或连接处泄漏、闭式喷头泄漏、末端泄放装置没有关好。处理办法:检查各水暖件、喷头和末端泄放装置,找出泄漏点进行处理。  
    (2)水流指示器在水流动作后不报信号。原因:除电气线路及端子压线问题外,主要是水流指示器本身问题,包括浆片不动、浆片损坏,微动开关损坏或干簧管触点烧毁、或永久性磁铁不起作用。处理办法:检查浆片是否损坏或塞死不动,检查永久性磁铁、干簧管等器件。  
    (3)喷头动作后或末端泄放装置打开,联动泵后管道前端无水。原因:主要为湿式报警装置的蝶阀不动作,湿式报警装置不能将水送到前端管道。处理办法:检查湿式报警装置,主要是蝶阀,直到灵活翻转,再检查湿式装置的其它部件。  
    (4)联动信号发出,喷淋泵不动作。原因:可能为控制装置及消防泵启动柜连线松动或器件失灵,也可能是喷淋泵本身机械故障。处理办法:检查各连线及水泵本身。 
一、喷淋泵流量设计问题 
  设计人员在计算喷淋泵的流量时,通常是先确定设置喷淋系统的场所的火灾危险等级,然后将该等级对应的喷水强度与作用面积相乘,其乘积即为喷淋泵的设计流量。但该设计流量是假定作用面积内所有喷头的工作压力和流量都等于*不利点喷头的工作压力和流量,忽略了管道阻力损失对喷头工作压力的影响,使设计流量小于实际流量。况且喷淋系统保护的区域通常是若干个楼层,火灾若发生在类似中央电视台北配楼的建筑的*有利或多个楼层时,由于喷头工作压力高,喷水量大,总流量也会增大,因此,系统原来计算的流量就显得不够,必须予以适当扩大。在选择喷淋泵时,其流量应在计算流量的基础上乘以安全系数1.15~1.30,才能满足火灾情况下喷淋系统的实际需水量。
  二、喷头选型在设计、施工问题
  闭式喷头按其布水形态和安装方式分为下垂型、直立型、吊顶型、边墙型。下垂型喷头有一个平展的溅水盘,洒水时,绝大部分水量洒向下部。直立型有一个杯形下扣式溅水盘,洒水时,有80%水量向下喷洒,20%水量洒向顶棚。两种喷头一般都安装在不需要保护喷头上部空间结构的场所,但其安装方式截然不同:下垂型喷头通过朝下的短立管与喷淋支、干管连接;直立型喷头通过朝上的短立管与喷淋支、干管连接。在具体工程中,少数施工人员将两种喷头混淆,该安装直立型喷头的却误装为下垂型喷头,造成实际喷水灭火时,绝大部分水量不能洒向下部。
  边墙型喷头分为两种:直立地安装在侧墙上的闭式喷头,称为直立边墙型喷头;水平地安装在边墙上,喷头的中轴垂直于边墙,而与地面平行,称为水平边墙型喷头。由于边墙型喷头相比起其它型号喷头的控火面积较小,因此,它只可用于顶面为水平面的轻危险级与中危险I级居室和办公室的保护区域,一些设计人员在宾馆、商铺等公众聚集场所喷淋系统的设计中也采用了边墙型喷头。另外现在有部分开发公司建设的层高5.2米左右的挑空办公楼内采用了边墙型喷头,一旦业主进行二次装修时会导致喷头被挡在了吊顶内,这些都是不符合规范规定的。
  三、湿式报警阀组在设计施工问题
  湿式报警阀组由湿式报警阀、水源控制阀、延迟器、水力警铃、压力开关、过滤器、试水阀等组件组成,它担负着试验检验供水装置和报警设施、报警、排水等多项功能,是自动喷水灭火系统的重要组件。但在具体工程中,湿式报警阀组的设计施工存在诸多问题。
  1、湿式报警阀设置不当
  当建筑物内发生火灾,喷头动作喷水后,压力开关应能尽早动作,及时启动喷淋泵,为系统扑灭初期火灾提供充足的水量和压力。因此,应尽可能地将湿式报警阀设置在靠近保护区域的部位,减少配水管道的长度。但在一些大型的商业建筑和小区建设工程中,设计人员往往将湿式报警阀集中设置在离被保护建筑较远的泵房中,阀后管道埋地敷设于室外,距离长,阻力损失大,压力开关启动喷淋泵的时间长。连接报警阀进出口的控制阀必须处于常开状态,因此该阀应采用信号阀,且其信号应反聩至消防控制中心;当未采用信号阀时,应设锁定阀位的锁具。
  2、水源控制阀采用普通闸阀
  为保证喷淋系统管网中有连续不断的水源供给,水源控制阀必须处于常开状态。因此,该阀应采用信号阀,且其信号应反聩至消防控制中心;当未采用信号阀时,应设锁定阀位的锁具。但在具体工程中,少数设计人员在设计图纸中未予以明确,一些施工单位采用了既无信号又无锁具的普通闸阀。   3、压力开关信号线路的敷设不符合要求
  压力开关安装在延迟器出口至水力警铃之间,只要延迟器充满水,其管路中水压达到定值时,压力开关会动作报警,其报警和控制信号应分别传至消防控制中心和喷淋泵控制柜,以报告火警和自动启动喷淋泵。因此,压力开关的报警和控制线路应穿金属管埋入墙体;如为明敷,应在金属管外涂防火涂料。但在具体工程中,少数施工单位不仅未按要求敷设线路,且只敷设了至消防控制中心的报警线路,未敷设至喷淋泵控制柜的控制线路,导致一旦消防控制中心的报警控制柜发生故障,就无法自动启动喷淋泵。明敷金属管外未涂防火涂料阻燃处理。还有些施工单位用电接点压力表取代压力开关,自动启、停喷淋泵,不符合喷淋泵只能手动停运的控制原则。
  4、水力警铃设置地点不当
  水力警铃的科学名称是水力机械报警器。在湿式报警阀动作后,由阀的信号口流出的水,使水力警铃驱动,发出连续声响,以示报警。因此,水力警铃应设在有人值班的地点及其附近,其与报警阀连接管道的管径应为20mm,总长不宜大于20m。但在具体工程中,施工单位往往将其就近设置在无人值守的水泵房或管道井内,致使警铃形同虚设。
  5、省略安装过滤器
  由于延迟器进水口径和水力警铃喷嘴口径仅分别为6mm和3mm,极易被堵塞,所以在湿式报警阀信号口至延迟器的管路上应安装过滤器。但在具体工程中,因为设计人员往往只设计湿式报警阀组的设置部位,具体组件未作说明,一些施工单位未安装过滤器,使用一段时间后,水力警铃喷嘴被堵,无法正常报警。
  四、水流指示器设计施工问题
  1、水流指示器的监视区域过大
  水流指示器通常安装在水平的配水干管、配水管上。只要喷头动作,管网内有水流动,水流指示器即动作报警,将信号传至消防控制中心,表示某个区域的喷头已动作喷水。因此,应在每个楼层或每个防火分区的喷淋管道上设一只水流指示器,以监视每个楼层或每个防火分区的喷头。现在建筑规模大的工程很多,往往一个楼层有几个防火分区,少数设计、施工人员未在每个防火分区内设置水流指示器或使用劣质水流指示器,导致火灾时,喷头动作后,消防控制中心无法知道发火的准确区域。在货架内和顶板下都设有喷头的仓库中,也应在货架内与顶板下的配水管上分别设置水流指示器,以正确判断火灾发生的部位。如果,一个湿式报警阀只控制一个楼层或一个防火分区时,则无需设置水流指示器。
  2、用水流指示器的动作信号直接启动喷淋泵
  由于水流指示器能将水的流动状态信号转换为电信号,并通过模块将该信号送至消防控制中心,在具体工程中,常有施工人员用水流指示器的动作信号去直接启动喷淋泵。当管网内有异常水压波动,而非喷头喷水时,水流指示器的动作会造成喷淋泵的误动作,因此,这样的启动方式是不正确的。
  五、末端试水装置施工安装问题
  末端试水装置设置在系统中*不利喷头末端,检验系统*不利点的流量、压力是否符合要求,以及系统的报警和供水装置启动功能是否正常。在具体工程中,末端试水装置的施工安装存在着很多问题。
  1、末端试水装置未设置在末端
  喷淋系统*不利喷头附近常常没有排水设施,少数施工单位为了能就近排水,从系统管网的非末端接入试水装置,导致无法真实检测系统*不利点的流量和压力。
  2、末端试水装置的设置高度不便于操作
  末端试水装置的压力表及控制阀的安装高度宜离地面1.5m,以便于操作和观察。但在具体工程中,多数建设方为了室内装修的美观需求,要求施工方将压力表及控制阀设置在吊顶内或其它很高的位置。末端试水口的下端应设有间接排水的漏斗和排水管,以便于试水时的排水,但在具体工程中,施工单位往往忽视这一细节,造成试水时,水流无处可排,既影响操作,又损坏室内装修,导致试水操作极不方便。
  3、压力表设置在控制阀上游,远离试水孔口
  为真实反映试水口喷水时的压力和流量,末端试水装置压力表应设在控制阀下游,靠近试水孔口处。但在具体工程中,少数施工队将压力表设置在控制阀上游,远离试水孔口处。
  六、系统管网在设计施工中的常见问题
  1、报警阀后管道上的阀门未采用信号阀
  报警阀后的配水管道一般都暗装在管道井、吊顶内,管道上的控制阀难以寻找,一旦检修后忘记及时开启,若发生火灾,阀门之后的喷头如同虚设。因此,报警阀之后不宜设置控制阀,如需设置时应采用信号阀,阀门开闭状态的信号能送至消防控制中心。如:水流指示器上游的控制阀;地下人防工程中喷淋管道穿过防护单元墙体时设置的防爆破阀。但多数设计、施工人员忽视了这一点,采用了非信号阀。
  2、系统管网上未设置排气装置
  当系统管网内存在气体时会产生以下危害:
  (1)系统管网内存在的气体含氧,随着室温的变化不断溶解和分离,对管道产生化学腐蚀和电化学腐蚀。
  (2)管顶聚集的压缩空气会加剧停泵时的水锤作用,造成管道和阀门的损坏。
  (3)管网内聚集空气时,水难以充满全部管网,当上层喷头开放时,先喷气后喷水,延误了喷头的喷水时间。
  鉴于上述原因,应在配水干管主立管顶部,水平配水干管的尾端及管径大于80mm的配水管的尾端设置自动排气阀。当配水管上设有末端试水装置时,可利用该装置排气。但在具体工程中,设置了排气装置的系统数量很少。
  3、配水管道的连接采用焊接
  系统配水管道采用的是内外壁热镀锌钢管,应采用螺纹、卡箍、法兰连接。少数施工人员为图施工简便、降低造价,采用焊接连接和焊接法兰连接,破坏了镀锌层,影响了焊缝质量,降低了管道的耐蚀能力。
  4、系统管道穿过墙体或楼板时,未加设套管
  系统管道穿过墙体或楼板时,不加设套管,产生的后果是:当管道或结构发生变化时,会相互影响,产生破坏。因此,应在管道穿过墙体或楼板时加设钢套管。钢套管的直径应比穿过的钢管外径大20~40mm。为防止火灾时串火,套管与管道的间隙应采用不燃烧材料填塞密实。
  5、系统管网的敷设不利于排水
  喷淋系统检修时,要将管网排空。为便于排水,系统管道要以不小于2‰的坡度从配水支管坡向配水管,配水管坡向配水干管,配水干管坡向配水立管的方式安装。当喷头朝下安装时,连接喷头和配水管道的短立管长度不宜超过150mm,以免短立管内积水和沉渣。但在具体工程中,少数施工单位只图施工简单,配水管道的短立管长度往往超过150mm,很少考虑系统的排水问题。
  6、供水泵吸水管出水管设置不当
  喷淋系统每组供水泵的吸水管不应少于2根。报警阀入口前设置环状管道的系统,每组供水泵的出水管不应少于2根。供水泵的吸水管应设控制阀、止回阀、压力表和直径不小于65mm的试水阀。但有的工程吸水和出水管均只有1根且没有设置不小于65mm的试水阀,或者直径没有65mm。
  七、系统增压设施在设计施工中的常见问题
  1、稳压泵的流量选择过大
  当消防水箱的设置高度不能满足系统*不利喷头的工作压力时,系统应设置稳压泵等增压设施。稳压泵仅在火灾初期、喷淋泵未启动前向系统管网提供压力,其流量一般不应大于1L/s。但在具体工程中,少数设计、施工人员却选择流量很大的稳压泵,反而不利于喷淋泵的及时启动。
  2、稳压泵的安装方式不正确
  稳压泵必须旁线安装,以便于检修时,管道内仍有压力水提供。但在具体工程中,一些施工单位采取在线安装,一旦检修,水箱里的水无法供给到管网。
  八、结束语
  湿式系统是自动喷水灭火系统中,*典型、*普遍应用的系统。它对于控制和扑灭初期火灾具有很高的成功率。因此,应加强湿式自动喷水灭火系统的设计和施工质量管理,确保火灾状态下,系统能够发挥其应有的作用,减少和降低火灾危害,保障**和人民生命财产安全。
 


本文标题:自动喷水灭火系统中常见的问题是什么?
本文地址:/zdsxt/654.html
顶一下
(/?p=/Do/likes/id/654)
0%
踩一下
(/?p=/Do/oppose/id/654)
0%

浏览排行

精彩推荐